电源厂家整理:电源基础电路图集锦
来源:电源厂家
作者:昂佳科技
点击:
次发表时间:2020-01-13 09:43:25
本文电源厂家搜罗了稳压电源、DCDC转换电源、开关电源、充电电路、恒流源相关的经典电路资料,为大家提供最新鲜最全面的电路图参考资料,希望对大家有帮助。
一、稳压电源
1、3~25V电压可调稳压电路图
此稳压电源可调范围在3.5V~25V之间任意调节,输出电流大,并采用可调稳压管式电路,从而得到满意平稳的输出电压。
工作原理:经整流滤波后直流电压由R1提供给调整管的基极,使调整管导通,在V1导通时电压经过RP、R2使V2导通,接着V3也导通,这时V1、V2、 V3的发射极和集电极电压不再变化(其作用完全与稳压管一样)。调节RP,可得到平稳的输出电压,R1、RP、R2与R3比值决定本电路输出的电压值。
元器件选择:变压器T选用80W~100W,输入AC220V,输出双绕组AC28V。FU1选用1A,FU2选用3A~5A。VD1、VD2选用 6A02。RP选用1W左右普通电位器,阻值为250K~330K,C1选用3300µF/35V电解电容,C2、C3选用0.1µF独石电容,C4选用 470µF/35V电解电容。R1选用180~220Ω/0.1W~1W,R2、R4、R5选用10KΩ、1/8W。V1选用2N3055,V2选用 3DG180或2SC3953,V3选用3CG12或3CG80

2、10A3~15V稳压可调电源电路图
无论检修电脑还是电子制作都离不开稳压电源,下面介绍一款直流电压从3V到15V连续可调的稳压电源,最大电流可达10A,该电路用了具有温度补偿特性的,高精度的标准电压源集成电路TL431,使稳压精度更高,如果没有特殊要求,基本能满足正常维修使用,电路见下图。

其工作原理分两部分:第一部分是一路固定的5V1.5A稳压电源电路。第二部分是另一路由3至15V连续可调的高精度大电流稳压电路。
第一部分的电路非常简单,由变压器次级8V交流电压通过硅桥QL1整流后的直流电压经C1电解电容滤波后,再由5V三端稳压块LM7805不用作任何调整就可在输出端产生固定的5V1A稳压电源,这个电源在检修电脑板时完全可以当作内部电源使用。
第二部分与普通串联型稳压电源基本相同,所不同的是使用了具有温度补偿特性的,高精度的标准电压源集成电路TL431,所以使电路简化,成本降低,而稳压性能却很高。图中电阻R4,稳压管TL431,电位器R3组成一个连续可调得恒压源,为BG2基极提供基准电压,稳压管TL431的稳压值连续可调,这个稳压值决定了稳压电源的最大输出电压,如果你想把可调电压范围扩大,可以改变R4 和R3的电阻值,当然变压器的次级电压也要提高。变压器的功率可根据输出电流灵活掌握,次级电压15V左右。桥式整流用的整流管QL用15-20A硅桥,结构紧凑,中间有固定螺丝,可以直接固定在机壳的铝板上,有利散热。调整管用的是大电流NPN型金属壳硅管,由于它的发热量很大,如果机箱允许,尽量购买大的散热片,扩大散热面积,如果不需要大电流,也可以换用功率小一点的硅管,这样可以做的体积小一些。滤波用50V4700uF电解电容C5和C7分别用三只并联,使大电流输出更稳定,另外这个电容要买体积相对大一点的,那些体积较小的同样标注50V4700uF尽量不用,当遇到电压波动频繁,或长时间不用,容易失效。最后再说一下电源变压器,如果没有能力自己绕制,有买不到现成的,可以买一块现成的200W以上的开关电源代替变压器,这样稳压性能还可进一步提高,制作成本却差不太多,其它电子元件无特殊要求,安装完成后不用太大调整就可正常工作。
二、开关电源
1、PWM开关电源集成控制IC-UC3842工作原理
UC3842工作原理
下图为UC3842 内部框图和引脚图,UC3842 采用固定工作频率脉冲宽度可控调制方式,共有8 个引脚,各脚功能如下:
①脚是误差放大器的输出端,外接阻容元件用于改善误差放大器的增益和频率特性;
②脚是反馈电压输入端,此脚电压与误差放大器同相端的2.5V 基准电压进行比较,产生误差电压,从而控制脉冲宽度;
③脚为电流检测输入端, 当检测电压超过1V时缩小脉冲宽度使电源处于间歇工作状态;
④脚为定时端,内部振荡器的工作频率由外接的阻容时间常数决定,f=1.8/(RT×CT);
⑤脚为公共地端;
⑥脚为推挽输出端,内部为图腾柱式,上升、下降时间仅为50ns 驱动能力为±1A ;
⑦脚是直流电源供电端,具有欠、过压锁定功能,芯片功耗为15mW;
⑧脚为5V 基准电压输出端,有50mA 的负载能力。

UC3842 内部原理框图
UC3842是一种性能优异、应用广泛、结构较简单的PWM开关电源集成控制器,由于它只有一个输出端,所以主要用于音端控制的开关电源。
UC3842 7脚为电压输入端,其启动电压范围为16-34V。在电源启动时,VCC﹤16V,输入电压施密物比较器输出为0,此时无基准电压产生,电路不工作;当 Vcc﹥16V时输入电压施密特比较器送出高电平到5V蕨稳压器,产生5V基准电压,此电压一方面供销内部电路工作,另一方面通过⑧脚向外部提供参考电压。一旦施密特比较器翻转为高电平(芯片开始工作以后),Vcc可以在10V-34V范围内变化而不影响电路的工作状态。当Vcc低于10V时,施密特比较器又翻转为低电平,电路停止工作。
当基准稳压源有5V基准电压输出时,基准电压检测逻辑比较器即达出高电平信号到输出电路。同时,振荡器将根据④脚外接Rt、Ct参数产生 f=/Rt.Ct的振荡信号,此信号一路直接加到图腾柱电路的输入端,另一路加到PWM脉宽市制RS触发器的置位端,RS型PWN脉宽调制器的R端接电流检测比较器输出端。R端为占空调节控制端,当R电压上升时,Q端脉冲加宽,同时⑥脚送出脉宽也加宽(占空比增多);当R端电压下降时,Q端脉冲变窄,同时 ⑥脚送出脉宽也变变窄(占空比减小)。UC3842各点时序如图所示,只有当E点为高电平时才有信号输出 ,并且a、b点全为高电平时,d点才送出高电平,c点送出低电平,否则d点送出低电平,c点送出高电平。②脚一般接输出电压取样信号,也称反馈信号。当② 脚电压上升时,①脚电压将下降,R端电压亦随之下降,于是⑥脚脉冲变窄;反之,⑥脚脉冲变宽。③脚为电流传感端,通常在功率管的源极或发射极串入一小阻值取样电阻,将流过开关管的电流转为电压,并将此电压引入境脚。当负载短路或其它原因引起功率管电流增加,并使取样电阻上的电压超过1V时,⑥脚就停止脉冲输出,这样就可以有效的保护功率管不受损坏。

2、TOP224P构成的12V、20W开关直流稳压电源电路
由TOP224P构成的 12V、20W开关直流稳压电源电路如图所示。电路中使用两片集成电路:TOP224P型三端单片开关电源(IC1),PC817A型线性光耦合器 (IC2)。交流电源经过UR和Cl整流滤波后产生直流高压Ui,给高频变压器T的一次绕组供电。VDz1和VD1能将漏感产生的尖峰电压钳位到安全值, 并能衰减振铃电压。VDz1采用反向击穿电压为200V的P6KE200型瞬态电压抑制器,VDl选用1A/600V的UF4005型超快恢复二极管。二 次绕组电压通过V砬、C2、Ll和C3整流滤波,获得12V输出电压Uo。Uo值是由VDz2稳定电压Uz2、光耦中LED的正向压降UF、R1上的压降 这三者之和来设定的。改变高频变压器的匝数比和VDz2的稳压值,还可获得其他输出电压值。R2和VDz2五还为12V输出提供一个假负载,用以提高轻载 时的负载调整率。反馈绕组电压经VD3和C4整流滤波后,供给TOP224P所需偏压。由R2和VDz2来调节控制端电流,通过改变输出占空比达到稳压目 的。共模扼流圈L2能减小由一次绕组接D端的高压开关波形所产生的共模泄漏电流。C7为保护电容,用于滤掉由一次、二次绕组耦合电容引起的干扰。C6可减 小由一次绕组电流的基波与谐波所产生的差模泄漏电流。C5不仅能滤除加在控制端上的尖峰电流,而且决定自启动频率,它还与R1、R3一起对控制回路进行补偿。

本电源主要技术指标如下:
交流输人电压范围:u=85~265V;
输入电网频率:fLl=47~440Hz;
输出电压(Io=1.67A):Uo=12V;
最大输出电流:IOM=1.67A;
连续输出功率:Po=20W(TA=25℃,或15W(TA=50℃);
电压调整率:η=78%;
输出纹波电压的最大值:±60mV;
工作温度范围:TA=0~50℃。
三、DC-DC电源
1、3V转+5V、+12V的电路图
由电池供电的便携式电子产品一般都采用低电源电压,这样可减少电池数量,达到减小产品尺寸及重量的目的,故一般常用3~5V作为工作电压,为保证电路工作的稳定性及精度,要求采用稳压电源供电。若电路采用5V工作电压,但另需一个较高的工作电压,这往往使设计者为难。本文介绍一种采用两块升压模块组成的电路可解决这一难题,并且只要两节电池供电。
该电路的特点是外围元件少、尺寸小、重量轻、输出+5V、+12V都是稳定的,满足便携式电子产品的要求。+5V电源可输出60mA,+12V电源最大输出电流为5mA。

该电路如上图所示。它由AH805升压模块及FP106升压模块组成。AH805是一种输入1.2~3V,输出5V的升压模块,在3V供电时可输出 100mA电流。FP106是贴片式升压模块,输入4~6V,输出固定电压为29±1V,输出电流可达40mA,AH805及FP106都是一个电平控制的关闭电源控制端。
两节1.5V碱性电池输出的3V电压输入AH805,AH805输出+5V电压,其一路作5V输出,另一路输入FP106使其产生28~30V电压,经稳压管稳压后输出+12V电压。
从图中可以看出,只要改变稳压管的稳压值,即可获得不同的输出电压,使用十分灵活。FP106的第⑤脚为控制电源关闭端,在关闭电源时,耗电几乎为零,当第⑤脚加高电平》2.5V时,电源导通;当第⑤脚加低电平<0.4V时,电源被关闭。可以用电路来控制或手动控制,若不需控制时,第⑤脚与第 ⑧脚连接。
2、用MC34063做3.6V电转9V电路图
工作状态:
无负载:
输入:3.65V、18uA(相当600mAH的电池待机三年多)
有负载:
输出:9.88V、50.2mA,输入:3.65V、186.7mA,效率为72%
工作原理:
无负载时,IC的 6脚没有电,停止工作,输入端3.65V工作电流只有18uA(相当600mAH的电池待机三年多)!
当有负载时(Q1有Ieb电流),8550的EC极导通,IC得电工作。
IC是否工作是由是否有负载决定的,就相当一个电池。
用IC做电压转换效率高,输出稳定!
这个电路加点改进,增加功率可以做“不需开关的4.2V转5V移动电源”。可以用个电池盒做手机的后备电源!
电路图


我的电感是用0.3mm的线在1cm的工字磁芯上绕约30匝。我觉得这磁芯用得偏大了,他的空间还没有绕上一半。
四、充电电路
1、lm358碱性电池充电器电路图
碱性电池能否充电的问题,有两种不同的说法。有的说可以充,效果非常好。有的说绝对不能充,电池说明提示了会有爆炸的危险。事实上,碱性电池确可充电,充电次数一般为30-50次左右。
实际上是由于在充电方法上的掌握,导致了截然不同的两种后果。首先 ,碱性电池可以充电是毋庸置疑的,同时,在电池的说明中,都提到碱性电池不可充电,充电可能导致爆炸。这也是没错的,但是注意这里的用词是“可能”导致爆炸。你也可以理解为厂家的一种免责性的自我保护声明。碱性电池充电的关键是温度。只要能做到对电池充电时不出现高温,就可以顺利地完成充电过程,正确的充电方法要求有几点:
1.小电流50MA
2.不过充1.7V,不过放1.3V
一些人尝试充电实践后,斩钉截铁地说不能充电,之所以出现充不进电、用电时间短、漏液、爆炸等问题,多数是充电器的问题,如果充电器充电电流太大,远超过 50ma,如一些快速充电器充电电流在200ma以上,直接的后果是电池温度很高,摸上去烫手,轻则会漏液,严重的就会爆炸。
有的人使用镍氢充电电池充电器来充,低档的充电器没有自动停充功能,长时间的充电导致电池过充也会出现漏液和爆炸。好一点的充电器有自动停充功能,但停充电压一般设定为镍氢充电电池的1.42V,而碱性电池充满电压约为1.7V。因此,电压太低,感觉上就是充不进电,用电时间短,没什么效果。再有就是电池不过放指的是不要等到电池完全没电再充电,这样操作,再好的电池也就能充三、五次,且效果差。
一般建议用南孚碱性电池电压不低于1.3V。所以,你如果打算对碱性电池充电,必须要有一个合格的充电器,充电电流50ma左右,充电截止电压1.7V左右。看看你家的充电器吧。
市面上有卖碱性电池专用充电器的,所谓专利产品。实际上就是充电电压1.7V电流50ma的简单电路。利用手边现有的零件LM358和TL431,我做了个简单电路,截止电压1.67V自动停充,成本两元而已。供感兴趣的朋友参考。
相关说明:
碱锰充电电池:是在碱性锌锰电池的基础上发展起来的,由于应用了无汞化的锌粉及新型添加剂,故又称为无汞碱锰电池。这种电池在不改变原碱性电池放电特性的同时,又能充电使用几十次到几百次,比较经济实惠。
碱性锌锰电池简称碱锰电池,它是在1882年研制成功,1912年就已开发,到了1949年才投产问世。人们发现,当用KOH电解质溶液代替NH4Cl做电解质时,无论是电解质还是结构上都有较大变化,电池的比能量和放电电流都能得到显著的提高。

它的特点:
1.开路电压为1.5V;
2.工作温度范围宽在-20℃~60℃之间,适于高寒地区使用;
3.大电流连续放电其容量是酸性锌锰电池的5倍左右;
4.它的低温放电性能也很好。
充电次数在30次以内,一般10-20次,需要特别充电器,极为容易丧失充电能力。
2、2.75W中功率USB充电器电路图
该设计采用了Power Integrations的LinkSwitch系列产品LNK613DG。这种设计非常适合手机或类似的USB充电器应用,包括手机电池充电器、USB 充电器或任何有恒压/恒流特性要求的应用。
在电路中,二极管D1至 D4对AC输入进行整流,电容C1和C2对DC进行滤波。L1、C1和C2组成一个π型滤波器,对差模传导EMI噪声进行衰减。这些与Power Integrations的变压器E-sheild?技术相结合,使本设计能以充足的裕量轻松满足EN55022 B级传导EMI要求,且无需Y电容。防火、可熔、绕线式电阻RF1提供严重故障保护,并可限制启动期间产生的浪涌电流。

图1显示U1通过可选偏置电源实现供电,这样可以将空载功耗降低到40 mW以下。旁路电容C4的值决定电缆压降补偿的数量。1μF的值对应于对一条0.3 Ω、24 AWG USB输出电缆的补偿。(10 μF电容对0.49 Ω、26 AWG USB输出电缆进行补偿。)
在恒压阶段,输出电压通过开关控制进行调节。输出电压通过跳过开关周期得以维持。通过调整使能与禁止周期的比例,可以维持稳压。这也可以使转换器的效率在整个负载范围内得到优化。轻载(涓流充电)条件下,还会降低电流限流点以减小变压器磁通密度,进而降低音频噪音和开关损耗。随着负载电流的增大,电流限流点也将升高,跳过的周期也越来越少。
当不再跳过任何开关周期时(达到最大功率点),LinkSwitch-II内的控制器将切换到恒流模式。需要进一步提高负载电流时,输出电压将会随之下降。输出电压的下降反映在FB引脚电压上。作为对FB引脚电压下降的响应,开关频率将线性下降,从而实现恒流输出。
D5、R2、R3和C3组成RCD-R箝位电路,用于限制漏感引起的漏极电压尖峰。电阻R3拥有相对较大的值,用于避免漏感引起的漏极电压波形振荡,这样可以防止关断期间的过度振荡,从而降低传导EMI。
二极管D7对次级进行整流,C7对其进行滤波。C6和R7可以共同限制D7上的瞬态电压尖峰,并降低传导及辐射EMI。电阻R8和齐纳二极管 VR1形成一个输出假负载,可以确保空载时的输出电压处于可接受的限制范围内,并确保充电器从AC市电断开时电池不会完全放电。反馈电阻R5和R6设定最大工作频率与恒压阶段的输出电压。
1
五、恒流源
1、浅谈如何设计三线制恒流源驱动电路
恒流源驱动电路负责驱动温度传感器Pt1000,将其感知的随温度变化的电阻信号转换成可测量的电压信号。本系统中,所需恒流源要具有输出电流恒定,温度稳定性好,输出电阻很大,输出电流小于0.5 mA(Pt1000无自热效应的上限),负载一端接地,输出电流极性可改变等特点。
由于温度对集成运放参数影响不如对晶体管或场效应管参数影响显著,由集成运放构成的恒流源具有稳定性更好、恒流性能更高的优点。尤其在负载一端需要接地的场合,获得了广泛应用。所以采用图2所示的双运放恒流源。其中放大器UA1构成加法器,UA2构成跟随器,UA1、UA2均选用低噪声、低失调、高开环增益双极性运算放大器OP07。

设图中参考电阻Rref上下两端的电位分别Va和Vb,Va即为同相加法器UA1的输出,当取电阻R1=R2,R3=R4时,则Va=VREFx+Vb,故恒流源的输出电流就为:

由此可见该双运放恒流源具有以下显著特点:
1)负载可接地;2)当运放为双电源供电时,输出电流为双极性;3)恒定电流大小通过改变输入参考基准VREF或调整参考电阻Rref0的大小来实现,很容易得到稳定的小电流和补偿校准。
由于电阻的失配,参考电阻Rref0的两端电压将会受到其驱动负载的端电压Vb的影响。同时由于是恒流源,Vb肯定会随负载的变化而变化,从而就会影响恒流源的稳定性。显然这对高精度的恒流源是不能接受的。所以R1,R2,R3,R4这4个电阻的选取原则是失配要尽量的小,且每对电阻的失配大小方向要一致。实际中,可以对大量同一批次的精密电阻进行筛选,选出其中阻值接近的4个电阻。
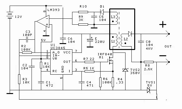
2、开关电源式高耐压恒流源电路图

研制仪器需要一个能在0到3兆欧姆电阻上产生1MA电流的恒流源,用UC3845结合12V蓄电池设计了一个,变压器采用彩色电视机高压包,其中L1用漆包线在原高压包磁心上绕24匝,L3借助原来高压包的一个线圈,L2借助高压包的高压部分。L3和LM393构成限压电路,限制输出电压过高,调节R10 可以调节开路输出电压。
免责声明:部分文章信息来源于网络以及网友投稿,本网站只负责对文章进行整理、排版、编辑,是出于传递 更多信息之目的,并不意味着赞同其观点或证实其内容的真实性,如本站文章和转稿涉及版权等问题,请作者在及时联系本站,我们会尽快处理
上一篇:汽车应急电源设计经验:启动电路 下一篇:电源厂家分析:电源供电以及电机驱动原理
同类文章排行
- 大神自己自制汽车应急启动电源?还不如自己备一个
- 汽车启动不了,导致汽车无法启动的五大原因
- 汽车应急启动电源使用方法及原理图
- 2017排行前十的汽车应急启动电源品牌
- 汽车应急启动电源工作原理
- 汽车应急启动电源使用排名评测
- 怎么选购汽车应急启动电源?哪个牌子汽车应急启动电源比较好?
- 汽车应急启动电源充不了电怎么办?昂佳科技教你解决方法
- 汽车应急启动电源常见问题分析及解决方案
- 汽车应急启动电源为什么用手机充电器充不了电?








